| Autore |
Discussione  |
|
Rick
Tuttoslottista DTM


Utente Valutato:
 |
Inserito il - 27/03/2008 : 11:45:24
|
in base allo spazio ho girato un po' pezzi e pezzetti, aggiungendo il tratto neve (zona sul giallo) e.. via tutta la parte in arancione rappresenterebbe prima una discesa, poi una scalata motuosa (non troppo ripida) fatta di tornanti, per arrivare in "montagna" e trovare, appunto, la neve  a conti fatti mi manca quasi la metà dei pezzi.. e, ad occhio e croce, un capitale di spesa 
bah, magari me la faccio piano piano.. magari la cambio, chi lo sa intanto volevo una vostra opinione
forse nel tratto dei tornanti piuttosto che i cordoli (che cmq sarebbero colorati di grigio, sarebbero più "realistici" dei muretti ma poi sarebbe meno guidabile ??
le curve lunge sono dei cambi corsia, mentre quelle alle estremità delle strettoie (chcane)
l'idea è quella di usarla come pista rally, ma testarci anche le GT però non so se i saliscendi e i tornanti sian percorribili con quelle.. mah!
Immagine:
 38,45 KB
|
Modificato da - Renatone in Data 27/03/2008 14:42:39
| |
|
|
Regione Lombardia ~
Prov.: Milano ~
Città: stete ~
Messaggi: 98 ~
Membro dal: 14/03/2008 ~
Ultima visita: 04/05/2009
|
|
|
Renatone
Nuovo Tuttoslottista
Utente Valutato
 |
Inserito il - 27/03/2008 : 12:01:29
|
Beh, il tratto guidato è un po' tortuoso e, a mio avviso, è ottimo per i rally. I rettilinei lunghi ci sono e quindi adrebbero benone per le GT. Fai un po' tu. Forse nel tratto neve con le GT avresti qualche difficoltà di aderenza in curva però.....
Permettimi un piccolo parere personale: perchè invece di usare imageshack non alleghi direttamente l'immagine nel messaggio? Scusami ma ho dovuto modificarti il post perchè si allarga troppo la finestra.
Ciao da Renato
|
|
|
|
Regione Lazio ~
Prov.: Roma ~
Città: Ariccia ~
Messaggi: 26 ~
Membro dal: 02/01/2008 ~
Ultima visita: 05/03/2012
|
 |
|
|
Alcazone
Nuovo Tuttoslottista

 |
Inserito il - 27/03/2008 : 12:02:36
|
per me che sono niubbo è bellissima, ci sono dei bei rettilinei dove "sfogare" la macchina e bellissimi tratti tutti pieni di curve!!
Ad avere lo spazio per montarla sarebbe il top.
Bel lavoro!
|
|
|
Saluti Alcazone  ______________________ Nessun luogo è lontano www.alcazone.com |
|
Regione Toscana ~
Prov.: Arezzo ~
Città: Massa Sabbioni (Cavriglia) ~
Messaggi: 39 ~
Membro dal: 23/03/2008 ~
Ultima visita: 14/02/2009
|
 |
|
|
mussovolante
Tuttoslottista Racing

    

Utente Valutato
 |
Inserito il - 27/03/2008 : 12:28:43
|
ciao, il tracciato mi piace e lo trovo interessante ma andiamo con ordine: 1) la fai piano piano, bravo l'importante è avere un progetto in testa ben definito, che naturalmente con il tempo si modifica. L'importante è che prima di fissare il tutto la provi anche con le slot e nei due sensi logicamente. 2)cordoli o muretti? cambia il modo di affrontare la curva logicamente, con i muretti la slot che passa in esterno va ad appoggiarsi, con il cordolo derappi, potresti farne un po ed un po', se è tua intenzione usare le gt direi cordoli però. 3) le curve lunghe sono dei cambi corsia. Non ho capito cosa intendi, a pescindere da questo ricordati che se corricon due vetture contemporaneamente gli scambi corsia possono diventare deleteri. 4)tornati e saliscendi con le GT, bisogna vedere che inclinazioni riesci dare, per le gt devi avere inclinazioni, molto ma molto graduate.
A parte quanto sopra c'è il rischio di avere nè carne nè pesce, però nelle piste casalinghe e con gli spazi ristretti bisogna sapersi accontentare.
spero di esserti stato utile.
|
Modificato da - mussovolante in data 27/03/2008 12:31:08 |
|
|
Ma tu cosa hai fatto, fai e farai di concreto per lo Slot !!!
Pace & Bene a tutti! by Mussovolante (Paolo)
musso.volante@yahoo.it |
|
Regione Veneto ~
Prov.: Vicenza ~
Città: Vicenza ~
Messaggi: 3525 ~
Membro dal: 11/10/2007 ~
Ultima visita: 31/01/2021
|
 |
|
|
Rick
Tuttoslottista DTM


Utente Valutato
 |
Inserito il - 27/03/2008 : 13:21:11
|
il cambio corsia lo vorrei mettere pechè amplia il raggio della curva, dà un po' di emozione in più (come anche le chicane strettoie, del resto) e dà variazione sul tema (non sei sempre interno o sempre esterno..). i lunghi rettilinei li vorrei xkè anche con le auto da rally è bello tirarle un po' a palla e forse però ne basterebbe uno.. ma vabè, poi vedo. potrei lasciare quello più lungo e zizagare un po' l'altro. il problema è il costo.. siamo a 27 metri e l'impregilo fa delle tariffe piuttosto preoccupanti! 
Citazione: Messaggio inserito da mussovolante
ciao, il tracciato mi piace e lo trovo interessante ma andiamo con ordine: 1) la fai piano piano, bravo l'importante è avere un progetto in testa ben definito, che naturalmente con il tempo si modifica. L'importante è che prima di fissare il tutto la provi anche con le slot e nei due sensi logicamente. 2)cordoli o muretti? cambia il modo di affrontare la curva logicamente, con i muretti la slot che passa in esterno va ad appoggiarsi, con il cordolo derappi, potresti farne un po ed un po', se è tua intenzione usare le gt direi cordoli però. 3) le curve lunghe sono dei cambi corsia. Non ho capito cosa intendi, a pescindere da questo ricordati che se corricon due vetture contemporaneamente gli scambi corsia possono diventare deleteri. 4)tornati e saliscendi con le GT, bisogna vedere che inclinazioni riesci dare, per le gt devi avere inclinazioni, molto ma molto graduate.
A parte quanto sopra c'è il rischio di avere nè carne nè pesce, però nelle piste casalinghe e con gli spazi ristretti bisogna sapersi accontentare.
spero di esserti stato utile.
|
|
|
|
Regione Lombardia ~
Prov.: Milano ~
Città: stete ~
Messaggi: 98 ~
Membro dal: 14/03/2008 ~
Ultima visita: 04/05/2009
|
 |
|
|
Rick
Tuttoslottista DTM


Utente Valutato
 |
Inserito il - 27/03/2008 : 13:32:59
|
così è la versione più movimentata.. molto più bella per le decorazioni e l'ambientazione (si chiama.. diorama, o ho capito male?) più impegnativa e più da rally
Immagine:
 22,38 KB
|
Modificato da - Renatone in data 27/03/2008 14:45:21 |
|
|
|
Regione Lombardia ~
Prov.: Milano ~
Città: stete ~
Messaggi: 98 ~
Membro dal: 14/03/2008 ~
Ultima visita: 04/05/2009
|
 |
|
|
Rick
Tuttoslottista DTM


Utente Valutato
 |
Inserito il - 27/03/2008 : 13:34:08
|
sarà meglio ridurre un po' le immagini la prox volta (me lo dico da solo) 
|
|
|
|
Regione Lombardia ~
Prov.: Milano ~
Città: stete ~
Messaggi: 98 ~
Membro dal: 14/03/2008 ~
Ultima visita: 04/05/2009
|
 |
|
|
Renatone
Nuovo Tuttoslottista
Utente Valutato
 |
Inserito il - 27/03/2008 : 14:47:17
|
Citazione: Messaggio inserito da Rick
sarà meglio ridurre un po' le immagini la prox volta (me lo dico da solo) 
Ciao Rick. Se vuoi puoi fare tutte le modifiche che vuoi, anche canellare il messaggio e/o ridimensionare le foto che vi hai inserito. Tutto questo entro mezz'ora da quando hai inserito il messaggio.
Ciao da Renato
|
|
|
|
Regione Lazio ~
Prov.: Roma ~
Città: Ariccia ~
Messaggi: 26 ~
Membro dal: 02/01/2008 ~
Ultima visita: 05/03/2012
|
 |
|
|
mussovolante
Tuttoslottista Racing

    

Utente Valutato
 |
Inserito il - 27/03/2008 : 16:17:22
|
Ricordo a Rick ed anche ad altri , che è consentito cancellare i propri messaggi e/o modificarli, entro però il tempo massimo. Passato questo tempo può essere fatto solo dai moderatori ed ovviamente dall'amministratore. Pertanto se c'è qualcosa da modificare passato il tempo basta chiedere.
|
Modificato da - mussovolante in data 27/03/2008 16:18:51 |
|
|
Ma tu cosa hai fatto, fai e farai di concreto per lo Slot !!!
Pace & Bene a tutti! by Mussovolante (Paolo)
musso.volante@yahoo.it |
|
Regione Veneto ~
Prov.: Vicenza ~
Città: Vicenza ~
Messaggi: 3525 ~
Membro dal: 11/10/2007 ~
Ultima visita: 31/01/2021
|
 |
|
|
free time
Tuttoslottista F1
 

Utente Valutato
 |
Inserito il - 27/03/2008 : 17:47:47
|
io avrei una curiosita, il tracciato mi piace... ma quanto spazio occupa??? quanto verrebbe grande il tavolo???
|
|
|
| Saluti da Tino |
|
Regione Toscana ~
Prov.: Prato ~
Città: prato ~
Messaggi: 290 ~
Membro dal: 26/01/2008 ~
Ultima visita: 23/10/2009
|
 |
|
|
Rick
Tuttoslottista DTM


Utente Valutato
 |
Inserito il - 27/03/2008 : 17:59:12
|
i tavoli.. sarebbero tanti pezzi tagliati su misura calcola che la lunghezza totale trasversale è circa 6 metri e fai un po' le proprozioni
alla fine cmq mi pare un po' troppo complicato e finirò con semplificarlo un po' boh con calma anche se così sarebbe caruccio 
|
|
|
|
Regione Lombardia ~
Prov.: Milano ~
Città: stete ~
Messaggi: 98 ~
Membro dal: 14/03/2008 ~
Ultima visita: 04/05/2009
|
 |
|
|
free time
Tuttoslottista F1
 

Utente Valutato
 |
Inserito il - 27/03/2008 : 18:22:38
|
azz ad averla una stanza cosi grossa 
|
|
|
| Saluti da Tino |
|
Regione Toscana ~
Prov.: Prato ~
Città: prato ~
Messaggi: 290 ~
Membro dal: 26/01/2008 ~
Ultima visita: 23/10/2009
|
 |
|
|
Rick
Tuttoslottista DTM


Utente Valutato
 |
Inserito il - 28/03/2008 : 09:34:15
|
l'ho semplificato un bel po' certo che la fatica maxima è infilare dentro tutte quelle inner curve del cavolo che ci sono nella scatola della mastertrack non finiscono mai!! 
ditemi ke ne pensate
Immagine:
 59,73 KB
|
|
|
|
Regione Lombardia ~
Prov.: Milano ~
Città: stete ~
Messaggi: 98 ~
Membro dal: 14/03/2008 ~
Ultima visita: 04/05/2009
|
 |
|
|
Rick
Tuttoslottista DTM


Utente Valutato
 |
Inserito il - 31/03/2008 : 10:12:21
|
alla fine della storia ho semplificato e accorciato il tutto x rendere la pista una "base" eventualmente da ampliare.. pertanto ho ordinato qualche pezzo per farla così come dalla immagine, che mi sembra già abbastanza carina.
che ne dite?
Immagine:
 81,57 KB
|
|
|
|
Regione Lombardia ~
Prov.: Milano ~
Città: stete ~
Messaggi: 98 ~
Membro dal: 14/03/2008 ~
Ultima visita: 04/05/2009
|
 |
|
|
free time
Tuttoslottista F1
 

Utente Valutato
 |
Inserito il - 31/03/2008 : 12:09:19
|
misure di ingombro?? totale lunghezza delle corsie??? siam curiosi qui ^_^
|
|
|
| Saluti da Tino |
|
Regione Toscana ~
Prov.: Prato ~
Città: prato ~
Messaggi: 290 ~
Membro dal: 26/01/2008 ~
Ultima visita: 23/10/2009
|
 |
|
|
Rick
Tuttoslottista DTM


Utente Valutato
 |
Inserito il - 31/03/2008 : 12:42:07
|
larghezza 4.70 altezza poco più di 3 rettilineo 3.60
lunghezza tracciato 22 m circa (quelli sopra erano 27 metri)
la parte arancio sarà + bassa (20 - 30 cm) con tornati la zona gialla la più alta con fondo neve e la verde circa liv medio tavolo, con qualche leggero dislivello.
già che ci sono ne approfitto..  stavo cercando notizie sui trasformatori.. visto che il difetto di quello che c'è nella confezione è che se una macchina esce di pista, l'altra la segue, per via dell'accelerazione improvvisa. leggevo qui e là e ci sono mille notizie, ma non mi riesce di capire una cosa: l'attacco di corrente x la pista ha 2 ingressi e due uscite. le due uscite sono x i pulsanti.. e immagino che siano inadatti per quelli con il freno (eventuali da comprare), ma vadano bene solo per quelli originali normali. ma i due ingressi?? voglio dire, se alimentando un solo ingresso alimento entrambe le corsie, l'altro a che serve? forse, con un secono alimentatore, in pratica aumento l'amperaggio su entrabe le corsie.. riducendo i salti di tensione?
in sostanza.. visto che leggendo le mille notizie sui trasformatori che ci sono nel forum non faccio altro che confondermi le idee.. chiedo una risposta semplice.. cosa conviene fare? prendere un solo alimentatore serio (3-5 A) e collegarci tutto (due corsie + eventuali interruttori) oppure, con un doppio alimentatore (prendendone un'altro uguale a quello della masterscatola) me la cavo senza troppi patemi e basta che infilo lo spinotto nell'altro ingresso e sono a posto
|
|
|
|
Regione Lombardia ~
Prov.: Milano ~
Città: stete ~
Messaggi: 98 ~
Membro dal: 14/03/2008 ~
Ultima visita: 04/05/2009
|
 |
|
|
Renatone
Nuovo Tuttoslottista
Utente Valutato
 |
Inserito il - 31/03/2008 : 17:44:19
|
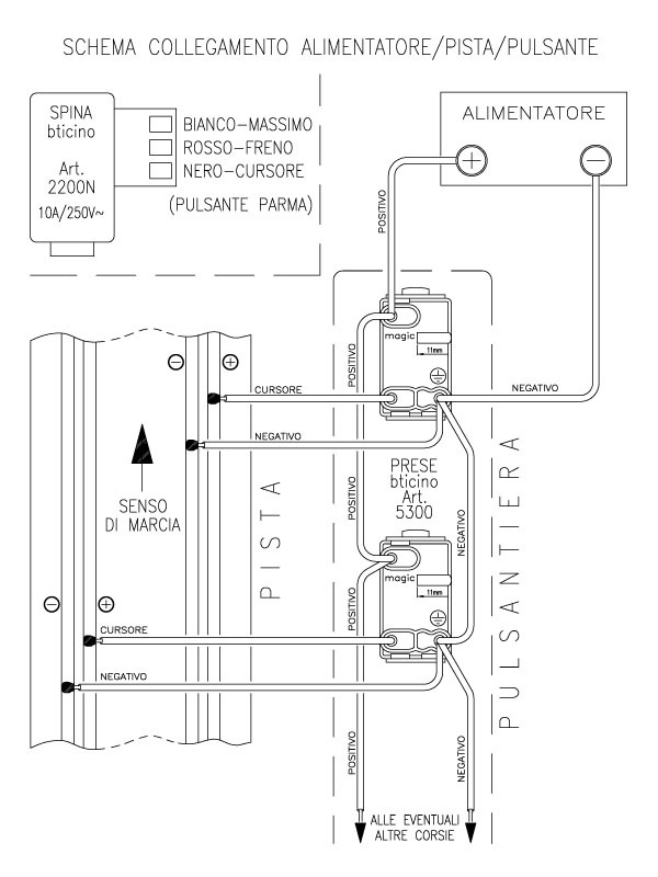
Se vuoi la mia opinione personale faresti meglio ad utilizzare un alimentatore per corsia ed a collegarli alla pista secondo il seguente schema dell'ANSI lasciando stare le prese di corrente poste sull'apposito rettilineo. Ecco lo schema che ti illustra anche come vanno collegate le prese magic, questo schema prevede un solo alimentatore e due prese, ma se elimini una presa e ripeti lo schema per il secondo alimentatore e la seconda presa il gioco è fatto:
Immagine:
 71,84 KB
Spero che ti sia sufficiente così, altrimenti chedi pure.
Ciao da Renato
|
Modificato da - Renatone in data 31/03/2008 17:46:20 |
|
|
|
Regione Lazio ~
Prov.: Roma ~
Città: Ariccia ~
Messaggi: 26 ~
Membro dal: 02/01/2008 ~
Ultima visita: 05/03/2012
|
 |
|
|
free time
Tuttoslottista F1
 

Utente Valutato
 |
Inserito il - 31/03/2008 : 18:16:45
|
concordo con renatone, io l'ho fatto l'altra sera, prima con un solo alimentatore ma ho trovato i problemi che ha elencato rick, adesso invece ho tolto dallo schema di fissaggio dei cavi il ponticello tra le 2 prese magic e alla seconda ho collegato un secondo alimentatore ed ho eliminato il problema...
rick mi stavo chiedendo una cosa, la pista la monterai in centro stanza oppure attaccata al muro??? perche se come hai detto la parte gialla e piu alta, poi e molto lontana... come farai i recuperi?? ci riusciresti??
|
|
|
| Saluti da Tino |
|
Regione Toscana ~
Prov.: Prato ~
Città: prato ~
Messaggi: 290 ~
Membro dal: 26/01/2008 ~
Ultima visita: 23/10/2009
|
 |
|
|
Rick
Tuttoslottista DTM


Utente Valutato
 |
Inserito il - 31/03/2008 : 20:53:18
|
in realtà tra la parte gialla e l'arancio c'è di mezzo una colonna, mentre la verde poggierebbe a sx contro un muro e sopra contro una specie di bancone-bar piuttosto alto (piano di un bar..). ovviamente il bar non c'è, ma il piano d'appoggio sì e sul dietro del giallo non c'è nulla. a destra della colonna c'è ancora spazio per 5 sei metri di pista, ma per ora mi fermo qui.. anche perchè forse, per una pista da casa, è già sufficiente. una volta finita me ne renderò conto.. posso salire sul bancone e fare un monte pazzesco, oppure allungarmi in orizzontale. certo che se lo facessi il locale divverebbe unicamente dedicato a questo. vedermo 
grazie per lo schemino in effetti l'avevo visto e stavo pensado come fosse fatto. alla pista ci si attacca con delle saldature? e poi come si montano le spine magic sui controller?
come elettrico valgo davvero poco.. a malapena so attaccare una lampadina senza fulminarmi!
|
Modificato da - Rick in data 31/03/2008 20:57:06 |
|
|
|
Regione Lombardia ~
Prov.: Milano ~
Città: stete ~
Messaggi: 98 ~
Membro dal: 14/03/2008 ~
Ultima visita: 04/05/2009
|
 |
|
|
mussovolante
Tuttoslottista Racing

    

Utente Valutato
 |
Inserito il - 31/03/2008 : 22:03:23
|
Ciao Rick, confermo che ti conviene eliminare il consueto rettilineo di alimentazione.
ne prendi un altro e sotto ci fai le saldature come da schema. Lo schema riporta come vanno messe le femmine delle Magic. Mentre nel riquadro in alto a sx c'è lo schema della spina Magic (maschio)
|
|
|
Ma tu cosa hai fatto, fai e farai di concreto per lo Slot !!!
Pace & Bene a tutti! by Mussovolante (Paolo)
musso.volante@yahoo.it |
|
Regione Veneto ~
Prov.: Vicenza ~
Città: Vicenza ~
Messaggi: 3525 ~
Membro dal: 11/10/2007 ~
Ultima visita: 31/01/2021
|
 |
|
|
Rick
Tuttoslottista DTM


Utente Valutato
 |
Inserito il - 01/04/2008 : 10:30:07
|
ultimo dubbio:
ma come si fa poi ad invertire il senso di marcia? mica toccherà rifare le saldature! 
|
|
|
|
Regione Lombardia ~
Prov.: Milano ~
Città: stete ~
Messaggi: 98 ~
Membro dal: 14/03/2008 ~
Ultima visita: 04/05/2009
|
 |
|
Discussione  |
|