|
Progetto pista
Stampato da: Forum Tuttoslot.it
URL Discussione: http://www.tuttoslot.it/forum/topic.asp?TOPIC_ID=3214
Stampato il: Oggi
Discussione:
Autore Discussione: Gianmario.Raimondo
Oggetto: Progetto pista
Inserito il: 31/03/2008 17:34:47
Messaggio:
Ciao a tutti! Allora ho spulciato un po' di utilissimi articoli... vi spiego la mia idea... in box a Milano ho realizzato un soppalco mettentdo dei tubi innsocenti in orizzontale (lato corto) del box e predisponendo al di sopra 6 tavole da ponte che vendono al castorama (quelle gialle da 5 cm di spessore x intenderci). Ho ripredisposto tutta la "rumenta" al di sopra liberando lo spazio per due tavole. Avvicinate purtroppo sono troppo poco larghe infatti avrei una pista di un metro di larghezza e non mi piace. Allora ho pensato di arrivare ad almeno 160 cm di larghezza per 3 mt di lunghezza. La fisserei tramite carucole ed occhielli (o tiranti) alla base del soppalco e tramite carucola a cavo pensavo di farla scendere per giocare e rialzarla quando ho la macchina in box.
Non sono certo di essermi spiegato... Se riesco stasera faccio due foto e vi ripropongo l'idea. Mi sovviene però un dubbio amletico: come faccio a fissarlo fermamente al soppalco senza che mi crolli sul tetto della macchina e soprattutto 160 cm x 300 cm in un unico pezzo è piuttosto pesante... suggerimenti?
Grazie Jimmy
Risposte:
Autore Risposta: mussovolante
Inserita il: 31/03/2008 17:41:44
Messaggio: Ciao Jimmy, così al volo, poi magari ci ragioniamo con calma. Calcola anche il fatto che devi recuperare la slot nel caso che esca, possibilmente con le mani e non con attrezzi anche se appositi. quindi se hai un lato appoggiato a parete fa conto che ti devi allungare con il corpo ed il braccio. Io ho calcolato con esperienza che m 1.30 è il limite, ma per te potrebbe essere 1.20 o di più. nelle misure che fa calcola anche questo. ciao.
Autore Risposta: free time
Inserita il: 31/03/2008 18:07:29
Messaggio: concordo con paolo, anchio prima di tagliare il piano di appoggio ho cercato di prendere le misure, e infatti la larghezza e 1.30... oltre avresti difficolta nei recuperi, a meno che al centro non fai un taglio per far fuoriuscire un tavolo a forma di U o di C vedi tu come chiamarlo
per quanto riguarda il fissaggio sopra l'auto e al basso, puoi usare dei paletti che si infilerebbero nei tubolari del soppalco oppure direttamente sul muro... il problema resta come tirarlo su e farlo abbassare... anche perche se non fai basi di appoggio centrali ti tocca mettere al di sotto molte strisce di legio bel massiccio oppure traversi di ferro per togliere l'effetto molleggiamento al centro...
secondo me l'unica cosa che potrebbe essere pensata, e prendere la misura totale della lunghezza del box, calcolare la lunghezza dell'auto e vedere cio che avanza... da li fare un pianale fisso con l'altezza adatta in modo che quando metti l'auto dentreo il box il muso della vettura ci finisca sotto senza dover tirare e abbassare il tutto...
Autore Risposta: Renatone
Inserita il: 31/03/2008 18:16:58
Messaggio: Ciao Jimmy, non riesco a ricordarmi quale fosse ne a ritrovarlo nel forum, ma c'er qualcuno che eveva fatto costruire un sistema di sollevamento della pista montata nel box auto esattamente come vorresti fare tu. Quando lessi quell'articolo però mi salvai alcune foto che ti allego tanto per darti un'idea. Se qualcuno, vedendo le immagini, si ricorda quale fosse il post o rionoscesse il ragazzino ripreso nell'ultima foto e potesse inserire il link in risposta avrà la gratitudine mia e sicuramente anche quella di Jimmy. Ecco le foto:
Immagine:
 53,89 KB
Immagine:
 44,78 KB
Immagine:
 49,99 KB
Immagine:
 84,43 KB
Immagine:
 54,7 KB
Immagine:
 103,38 KB
Immagine:
 103,84 KB
Ciao da Renato
Autore Risposta: cisternone
Inserita il: 31/03/2008 18:20:51
Messaggio: Ciao, forse ti converrebbe (visto il peso di tubi innocenti, tavole da muratore e tutto ciò che ci metterai sopra) fissarla al muro lateralmente (se ne hai uno libero) e fargli un'apertura "a braccio" piuttosto che appenderla con carrucole etc. Immagine:
 26,4 KB
Immagine:
 26,1 KB
Autore Risposta: cisternone
Inserita il: 31/03/2008 18:25:36
Messaggio: Beh, renatone, che dire, un lavoro spettacolare... Ma, amenochè uno non sia un fabbro, ci vuole un bel gruzzoletto per un lavoro del genere credo.
Autore Risposta: stardom
Inserita il: 31/03/2008 18:38:23
Messaggio: il lavoro piu' semplice sembra il secondo, ma con delle gambe/cavalletti di supporto una volta distesa la tavola per non caricare troppo le cerniere.
il lavoro postato da renatone, e' veramente ben fatto, ma penso sia molto costoso
Autore Risposta: marco.zen
Inserita il: 31/03/2008 18:52:37
Messaggio: Vi faccio vedere la mia realizzazione, anche se non è ancora finita.
Ciao.
Immagine:
 81,24 KB
Immagine:
 77,39 KB
Immagine:
 83,38 KB
Autore Risposta: free time
Inserita il: 31/03/2008 20:17:21
Messaggio: azz marco, bel lavoretto... ma c'e un tirante unico al centro??? ma lo hai piombato per tenerlo stabile senza che balli a destra e sinistra???
Autore Risposta: mussovolante
Inserita il: 31/03/2008 22:13:20
Messaggio: Posso ricordare che nelle varianti di appendere la pista al soffitto ci si può mettere sul sotto delle tavole le lampade in modo da illuminare la stanza quando la pista è sollevata. In Spagna ma cercando si trova anche in internet c'è un video fatto da una trasmissione di bricolage con tanto di sponsor, che insegna appunto come appendere la pista al soffitto come postato da cisternone e mettendo appunto le lampade, come fare la base , posare il tappeto di erba finta. Proprio come farebbe una qualsiasi catena di bricolage anche in Italia   , questo fa intuire come lo slot in spagna sia seguitissimo.
Autore Risposta: Gianmario.Raimondo
Inserita il: 01/04/2008 10:25:01
Messaggio: Citazione: Messaggio inserito da mussovolante
Ciao Jimmy, così al volo, poi magari ci ragioniamo con calma. Calcola anche il fatto che devi recuperare la slot nel caso che esca, possibilmente con le mani e non con attrezzi anche se appositi. quindi se hai un lato appoggiato a parete fa conto che ti devi allungare con il corpo ed il braccio. Io ho calcolato con esperienza che m 1.30 è il limite, ma per te potrebbe essere 1.20 o di più. nelle misure che fa calcola anche questo. ciao.
Ciao e piacere! Belin dalla mia parti "mussovolante" al femminile senza il volante è la patata... cmq complimenti per il nick. Francamente al problema del recupero non ci avevo pensato perchè il sistema a carrucola dovrebbe farmi scendere il plastico a circa 40 cm dal pavimento... Devo ancora fare le foto del box, stasera provvedo e poi vi posto il tutto... Wow... devo iniziare il progetto, nel frattempo mi sono conteggiato i pezzi che ho a disposizione...
Autore Risposta: Gianmario.Raimondo
Inserita il: 01/04/2008 10:37:15
Messaggio: Citazione: Messaggio inserito da free time
Ciao "Free Time" piacere e grazie per la risposta
Citazione: oltre avresti difficolta nei recuperi, a meno che al centro non fai un taglio per far fuoriuscire un tavolo a forma di U o di C vedi tu come chiamarlo 
Scusami, forse è ancora troppo presto (e dovrei anche iniziare a lavorare...) [10.20 ndr] però non capisco a cosa serve il simil buco centrale... Per il posto di comando
Citazione:
per quanto riguarda il fissaggio sopra l'auto e al basso, puoi usare dei paletti che si infilerebbero nei tubolari del soppalco oppure direttamente sul muro... il problema resta come tirarlo su e farlo abbassare...
Umh...
Citazione:
anche perche se non fai basi di appoggio centrali ti tocca mettere al di sotto molte strisce di legio bel massiccio oppure traversi di ferro per togliere l'effetto molleggiamento al centro...
Non ci avevo pensato... e se facessi una struttura in ferro/acciaio/ utilizzando gli angolari delle strutture in ferro con i buchi... non mi viene in mente il nome... ma come?
Citazione:
secondo me l'unica cosa che potrebbe essere pensata, e prendere la misura totale della lunghezza del box, calcolare la lunghezza dell'auto e vedere cio che avanza... da li fare un pianale fisso con l'altezza adatta in modo che quando metti l'auto dentreo il box il muso della vettura ci finisca sotto senza dover tirare e abbassare il tutto...
In effetti il l'auto la parcheggio in retro... vosì facendo avrei una struttara fissa... non lo sò devo fare delle prove
Raga una pazza idea...  e se invece lo facessi ribaltabile tipo sul lato lungo del box... modello tavolo da monolocale o mensola colazione... però nn posso fare sopraelevate altrimenti si staccano i pezzi a meno chè non uso bulloni.... interessante...
controindicazioni?
ciao Jimmy
Autore Risposta: Gianmario.Raimondo
Inserita il: 01/04/2008 10:39:57
Messaggio: Citazione: Messaggio inserito da renatone Mega cut(...) Ciao da Renato
Ciao renato, sei un grande è proprio quello che voglio io addirittura potre farlo per tutta la dimensione del soppalco... fi**ta!!!! Grazie!!!!
Jimmy
PS: mi hai reso felice come un bambino!
Autore Risposta: Renatone
Inserita il: 01/04/2008 11:02:16
Messaggio: Citazione: Messaggio inserito da Gianmario.Raimondo
mi hai reso felice come un bambino!
Felice di averti reso felice. Se non ricordo male l'autore di quel post scrisse che per realizzare quella struttura in ferro (fatta costruire da un fabbro) spese all'incirca 1.500,00 euro, non sono pochi, ma considerando come è stata costruita ed il sistema di carrucole per il sollevamento/abbassamento del piano della pista più il sistema di scorrimento della stessa a mezzo di ruote fissate sotto il piano di legno per facilitare i recuperi secondo me il tutto vale la spesa fatta. Anch'io vorrei costruire qualcosa di simile, ma non nel box bensì nella sala hobby con i relativi problemi che ne conseguono, perciò per ora mi accontento di una pista provvisoria montata su due tavoli e di girare al club.
Autore Risposta: Gianmario.Raimondo
Inserita il: 01/04/2008 11:09:27
Messaggio: Citazione: Messaggio inserito da cisternone
Grazie mille del suggerimento, ciao e piacere... era l'altra soluzione a cui pensavo però quanto dovrà essere profonda... umh...
Autore Risposta: Gianmario.Raimondo
Inserita il: 01/04/2008 11:28:06
Messaggio: Citazione: Messaggio inserito da cisternone
Beh, renatone, che dire, un lavoro spettacolare... Ma, amenochè uno non sia un fabbro, ci vuole un bel gruzzoletto per un lavoro del genere credo.
Ragazzi al caffè con i colleghi riflettevo che 1500 € sono un botto... devo trovare una soluzione più economica. Inoltre sulla struttura meravigliosa di renato è possibile caricare un'auto... Qualcosa di simile potrei sfruttarlo sotto al soppalco...
Per esempio al posto di cavi di acciaio potrei sfruttare il cavo dello stendibiancheria che è di acciaio ricoperto, non sega le mani ed è resistente...
Bye Jimmy
Autore Risposta: Gianmario.Raimondo
Inserita il: 01/04/2008 11:39:35
Messaggio: Citazione: Messaggio inserito da marco.zen
Grazie del suggerimento e complimenti per il bel lavoro svolto. Allora sto per acquistare su ebay un paranco manuale, il tuo elettrico è una fi**ta ma non voglio costruire il mio mondo nel modo più economico possibile. [http://cgi.ebay.it/paranco-manuale_...cmdZViewItem]
Ora penso alla struttura, cmq cerco di usare meno ferro possibile.
Jimmy
Autore Risposta: Jean
Inserita il: 01/04/2008 21:45:03
Messaggio: Bimbo e macchina credo socio club Carli.A Renà.J
Autore Risposta: Gianmario.Raimondo
Inserita il: 02/04/2008 11:53:21
Messaggio: Wow ho fatto le foto! Ma ho dimenticato il cavo per collegare il Telefono al PC... Solo una info come faccio ad allegare le foto?
Grazie Jimmy
Autore Risposta: Gianmario.Raimondo
Inserita il: 02/04/2008 11:57:11
Messaggio: Citazione: Messaggio inserito da stardom
il lavoro piu' semplice sembra il secondo, ma con delle gambe/cavalletti di supporto una volta distesa la tavola per non caricare troppo le cerniere.
il lavoro postato da renatone, e' veramente ben fatto, ma penso sia molto costoso
Si sto pensando a quel tipo di progetto untilizzando un verricello come quello di renatone... unico dubbio: non rischio che si sbilanci... se non metto due cavalletti mobili quando la faccio scendere dal soffitto...
Umh... ma nessuno è di Milano per aiutarmi in questo progettino?
Jimmy
Autore Risposta: marcopit
Inserita il: 02/04/2008 14:00:28
Messaggio: nel ns caso abbiamo creato due sostegni trasversali con due barre di ferro assicurate alle pareti di un garage delle giuste misure... la pista (nel ns caso è un pannello 3,20x2.20) viene riposta a mano sui due travetti (chiaramente questi sono ad un altezza allo stesso tempo facile da riporre e non creano intralcio nel garage.. a parole è un po complicato ma nn ho foto... comunque è un sistema valido e semplice ma nel caso di pannelli di forme complesse o troppo pesanti nn è attuabile..
Autore Risposta: marco.zen
Inserita il: 02/04/2008 19:06:41
Messaggio: Scusate l'assenza; il tirante è unico la centro, debbo ancora equilibrare un pò la pista (ad es. spostando il trasformatore, che pesa) ed aggiungere ddelle zeppe di gommaspugna che tengano la struttura orizzontale quando è sul soffitto; poi aggiungere un paio di fermi meccanici, in modo che la pista a soffitto non resti appesa per il cavo di sollevamento, e per sicurezza. Poco altro. Tutta la struttura da alzare pesa circa 200 kg.
Ciao a tutti.
Autore Risposta: Gianmario.Raimondo
Inserita il: 03/04/2008 16:12:29
Messaggio: Bella raga, a breve vi poste le immagine del box, promettetimi di non fare commenti strani sul disordine 
nel frattempo volevo analizzare la parte elettrica. Devo dare alimentazione alla pista, ai led sparsi per qualche effetto ottico carino, ai semafori, altro? Cosa mi consigliate? Quanti alimentatori? Extra...
Grazie per l'assistenza Jimmy
Autore Risposta: Gianmario.Raimondo
Inserita il: 03/04/2008 16:43:36
Messaggio: Analizziamo il mio box... Scusate le pessime fotto ma sono fatte cn il N73 con luce scarsa...
Allora: Partiamo da questa. Qui visualizziamo il box dalla serranda.
Immagine:
 64,49 KB
Inizialmente il mio obbiettivo era quello di posizionare la pista (con il sistema sali e scendi) al posto delle due tavole da ponte mancanti, per la lunghezza dentificata da inizio tavola (lato cestollo alla vostra sx) al polistirolo (fine del box sempre a sx, posizionando la carrucola al centro. Obbiettivamente non mi piace... Spreco dello spazio al soppalco.
In questa seconda foto analizzate la profondita (o almeno parte di essa)
Immagine:
 55,63 KB
In quest'altra invece si vede la larghezza del box ed asattamente è lo spazio compreso tra la serranda aperta e la fine del soppalco...
Immagine:
 44,72 KB
Se il plastico lo inserisco in questo spazio, utilizzando una struttura tipo quella di renatone risco ad ottenere uno spazio di 190 (larghezza box) x 200 (lunghezza spazio disponibile).
Cosa nè dite?
Autore Risposta: Gianmario.Raimondo
Inserita il: 03/04/2008 17:58:36
Messaggio: Immagine:
 30,16 KB
Questo è quello che voglio realizzare. In fase di progettazione non ho calcolato la misura che voglio realizzare, cmq prima di avvitare i pezzi la disegno sul compensato. Ho indicato i punti in salita e la discesa. C'è un discesone, che dal livello 3 scende al piano (livello 3 = due punti in salita). Per realizzare il discesone seguo passo passo un topic dettagliatissimo nel forum (creando un angolo da 60°). Il dosso non sò come realizzarlo, anche se potrei crearlo con del pongo inserendo e modellando le bandelle, l'unica paura è la mancanza di uniformità creando un punto in cui la macchina saltella... (poi ci penso). Per ottenere la curva in pendenza (alta sull'esterno e bassa all'interno) potrei utilizzare della carta pesta (ma ci devo pensare). Dove ci sono gli attacchi di corrente mi piacerebbe realizzare la corsia box, inserendo il semaforo. Mi piacerebbe creare una specie di cassetto dove applicare la console elettrica: interruttori neon, (dove inserisco i neon voglio crare una sorta di lago artificiale (con plexiglas e cagate varie), i porta pulsanti, le due cloche per la variazione della velocità, il controller scambio per accedere alla zona box.
Dubbi e perplessità: - spessore compensato - Dimensione della pista in base al piano di appoggio - nel mio disegno i pezzi non combaciano infatti le due corsie (rossa e verde) al congiugimento diventano rosse.
Grazie Jimmy
Autore Risposta: Gianmario.Raimondo
Inserita il: 03/04/2008 18:09:36
Messaggio: Immagine:
 17,86 KB
Ok questo è quello che vado ad applicare al mio box. Quando scende lo faccio appoggiare su 3 cavalletti in legno classici. Gli occhielli angolari li metto più lunghi possibili in modo che nn rompano le palle in diagonale alla pista.
Forse i fili per stendere non vanno bene... il problema è che quando il plastico è al soffitto si "sciolgono" sulla pista.
Altro dubbio, per il discorso elettrico predispongo un bella scatola della biticino living 
Sento che in fase di realizzazione sabato, avrò dei problemi, non mi immagino quali...
Jimmy
Autore Risposta: free time
Inserita il: 03/04/2008 19:01:31
Messaggio: pèer il cavo che parte dal centro e va ai 4 angoli, puoi usare del cavetto d'acciaio lo inserisci nell'occhiello dell'angolo e usi il suo morsetto per serrarlo e vedrai che non si scioglie... al centro pero ti serve un bell'anello grande per far passare i 4 cavetti di acciaio che secondo me un cavetto dacciaio di 5 o di 6 mm dovrebbe bastare...
il tracciato mi gusta molto, solo ti consiglio di controllare i tratti di curva che ti verranno coperti dalle sopra elevate... perche rischi di non avere la curva a vista e di finire sempre fuori... mi sembra di averne viste 2 di curve nascoste dalle sopra elevate, correggetemi se sbaglio...
Autore Risposta: free time
Inserita il: 03/04/2008 19:23:52
Messaggio: aloora carissimo, ho provato a riprodurre la pista, le misure di ingombro sono circa 220x260... la pista non ti chiude perche hai usato dei pezzi particolari e ti servirebbe qualche mezzo rettilineo per farla chiudere
prova a rifarla solo con curve A9 e rettilinei A8 e vedrai che si chiude perfetta...
Autore Risposta: Renatone
Inserita il: 03/04/2008 23:09:03
Messaggio: Ciao carissimo. Allora, mi stavo spulciando qualche vecchio post per cercare un'alternativa alla soluzione della pista che scende dal soffitto e ti ho trovato questo post che sicuramente potrà tornarti molto utile: http://www.tuttoslot.it/forum/topic...TOPIC_ID=581 dagli un'occhiata e facci sapere cosa ne pensi. Sicuramente è molto più facile e molto più economico da realizzare, purtroppo per me a casa mia non lo potrei realizzare, ma nel tuo box mi sembra un'ottima soluzione senza impazzire troppo con cavi, carrucole, ecc., inoltre devi considerare (cosa non da poco) che in questo modo avresti una maggiore lunghezza a disposizione per lo sviluppo del tuo tracciato.
Ciao da Renato
Autore Risposta: mussovolante
Inserita il: 04/04/2008 13:12:26
Messaggio: Ciao Tipo12, purtroppo delle foto se ne vede una, il resto è un camposanto. Per cortesia rimettile dentro, usa nomi semplici es. foto01 e senza usare parentesi o altri caratteri strani. Per vedere se si vedono, usa la funzione "anteprima" che hai in fase di inserimento della discussione, se le vedi tu le vedono gli altri, altrimenti c'è ancora qualcosa ce non va.
Magari crei una nuova discussione con le tue foto in modo che lasciamo questa a Jimmy
Autore Risposta: tipo12
Inserita il: 04/04/2008 13:34:00
Messaggio: Salve a tutti questa è la mia realizzazione:
Immagine:
 64,27 KB
Immagine:
 53,02 KB
Immagine:
 46,74 KB
Immagine:
 53,45 KB
Immagine:
 55,45 KB
Immagine:
 38,54 KB
Immagine:
 48,33 KB
Immagine:
 56,62 KB
Immagine:
 47,69 KB
Immagine:
 119,74 KB
Immagine:
 84,18 KB
Immagine:
 87,54 KB
Immagine:
 88,38 KB
e non è finita quì, devo iniziare con il diorama (se così si dice). Devo premettere, che lo slot è un hobby nuovo quindi accetto consigli da voi tutti, infatti girando un po nel forum ho notato la vostra esperienza nel merito.
Autore Risposta: Gianmario.Raimondo
Inserita il: 04/04/2008 14:46:27
Messaggio: Grande Renato e grazie anche a Toys12... bell'idea a ribalta... analizzandola di negativo vedo solo che se abbondo con l'altezza (sezioni in salita) poi ha uno spessore devastante... Cmq è un buon suggerimento e soprattutto economico. Stasera, in box quando rincaso prendo un po' di misure... e ve le posto in tarda notte...
Intanto sto lavorando sulla parte di progettazione del circuito... Vi allego sotto altre 3 idee che ho di pista: realizzabili massimo su due livelli (sfruttando quindi il progetto a ribalta). Uno problema non riesco a realizzare la corsia Box.
Immagine:
 116,39 KB
Ciao Jimmy
Autore Risposta: Gianmario.Raimondo
Inserita il: 04/04/2008 14:51:46
Messaggio: Citazione: Messaggio inserito da tipo12
Salve a tutti,questa è la mia creazione:
Ciao e piacere.
Nella prima immagine il piano una volta aperto risulta appoggiarsi ad un cavvalletto.
La maglia nella foto 2 supporta il peso del plastico? Quanti Kg complessivi sarà la tua pista?
Nel mio caso con una progettazione di salite, ponti, dossi e quindi, con la presenza di materiale extra tempo che la cerniera sfasi o si sbielli (nn trovavo un termine migliore)...
Ci penso, cmq grazie per le foto! Jimmy
Autore Risposta: Gianmario.Raimondo
Inserita il: 04/04/2008 14:55:24
Messaggio: Citazione: Messaggio inserito da free time
pèer il cavo che parte dal centro e va ai 4 angoli, puoi usare del cavetto d'acciaio lo inserisci nell'occhiello dell'angolo e usi il suo morsetto per serrarlo e vedrai che non si scioglie... al centro pero ti serve un bell'anello grande per far passare i 4 cavetti di acciaio che secondo me un cavetto dacciaio di 5 o di 6 mm dovrebbe bastare...
Grazie dei consigli... si ci sono dei punti difficili in caso di fuoriuscita dal tracciato... ecco perchè ho fatto altre tre elaborazioni... Però sbaglio qualcosa... per adesso ho disegnato dei modelli ideali per quello che ho in testa... forso dovrei pensare prima alla sistemazione nel box, poi alle dimensioni massime del piano d'appoggio, poi lo compro al castorama ed in ultimo inizio a montare fisicamente i pezzi... solo dopo riuscirò, con i compromessi necessari (spazio, sbatti, capacità al fai da te) a postare il lavoro..
grazie cmq per l'assistenza, siete mitici!
Autore Risposta: Gianmario.Raimondo
Inserita il: 04/04/2008 14:57:06
Messaggio: Citazione: Messaggio inserito da free time
aloora carissimo, ho provato a riprodurre la pista, le misure di ingombro sono circa 220x260...
Grazie caro... con "Ultimate Racer 3.0" si riesce ad inserire un righello in modo da calcolare esattamente l'ingombro?
Grazie Jimmy
Autore Risposta: Gianmario.Raimondo
Inserita il: 04/04/2008 15:00:57
Messaggio: Allora se Ultima Racer non dice cavolate: - il primo tracciato è 278 x 146 - il secondo tracciato è 277 x 146 - il terzo tracciato è 264 x 146
Umh... sto sforando... Jimmy
Autore Risposta: tipo12
Inserita il: 04/04/2008 15:15:21
Messaggio: La struttura misura 3,60m X 1,30m ed è distante dal muro una volta chiusa 15cm (piano del tavolo / muro) quindi posso costruire sopra box, muri di contenimento ecc. max 15cm.Questo perchè ho fatto delle cerniere corte dato che non mi interessava fare sopraelevate. Visto che tu (scusa del tu) hai bisogno di sopraelevate potresti fare una cerniera più lunga e larga.Ti assicuro che la mia struttura (ferro + legno) è pesante, quindi non mi fidavo agganciarla al tetto, visto che in garage ci giocano anche i bambini.Così mi sento più sicuro.Dalle foto non si nota ma si può anche sfilare le cerniere è metterla al centro del garage e un giorno chisà giocare in 8.Posterò altre foto visto che c'è ancora di lavoro!!!
Autore Risposta: Gianmario.Raimondo
Inserita il: 04/04/2008 15:24:31
Messaggio: Ciao... ok, questo è la pista che vado a realizzare. Quando esco vado a comprare un po' di accessori... stasera vi mando un bel post...
Intanto gustatevi il progetto dal quale parto...
Immagine:
 60,47 KB
Jimmy
Autore Risposta: Renatone
Inserita il: 04/04/2008 16:08:13
Messaggio: Ciao Gianmario. Per il plastico ribaltabile, se hai problemi di spessore dovuto alle sopraelevate, c'è anche un'altra soluzione, ovvero quella di utilizzare dei binari a scorrimento verticale per poter mettere la pista appoggiata alla parete, ma dalla parte del fondo, cioè con la pista rivolta verso il garare e non verso il muro. Praticamente hai tre o quattro binari fissati alla parete (o quanti ne vuoi tu) e per riporre a posto il piano di appoggio della pista, anzichè sollevare il lato verso il garage, devi sollevare il lato verso il muro e farlo scivolare (con le apposite guide) nei suddetti binari fino a riporlo in verticale. Purtroppo non ho immagini da allegarti per spiegarti meglio cosa intendo, ma credo di essere stato sufficientemente chiaro, altrimenti parliamone ancora o interroghiamo gli altri utenti del forum.
Ciao da Renato
Autore Risposta: Gianmario.Raimondo
Inserita il: 04/04/2008 16:43:13
Messaggio: Citazione: Messaggio inserito da tipo12
La struttura misura 3,60m X 1,30m ed è distante dal muro una volta chiusa 15cm (piano del tavolo / muro) quindi posso costruire sopra box, muri di contenimento ecc. max 15cm.Questo perchè ho fatto delle cerniere corte dato che non mi interessava fare sopraelevate. Visto che tu (scusa del tu) hai bisogno di sopraelevate potresti fare una cerniera più lunga e larga.Ti assicuro che la mia struttura (ferro + legno) è pesante, quindi non mi fidavo agganciarla al tetto, visto che in garage ci giocano anche i bambini.Così mi sento più sicuro.
Molto esaustivo... complimenti... sei un grande! Dammi tranquillamente del tu... anche se a quasi 31 anni... del lei... 
Purtroppo nel mio box, c'è un soppalco, la macchina, la vespa, ed una porta basculante... stasera prendo un po' di misure... grazie! Jimmy
Autore Risposta: Gianmario.Raimondo
Inserita il: 07/04/2008 10:40:51
Messaggio: Parte Elettrica
Se non ho capito male, in un post del forum risulta che per la mia pista ho sicuramente bisogno di un alimentatore da 6 Ampere. Meglio se un 6 Ampere per corsia… Uh… a questo punto ho il cervello nella confusione più totale… ma devo costruirmi con tanto di stagno, fotoincisione e trapano a colonna una scheda per gestire 2 alimentatori, i pulsanti, il semaforo il deviatore corsia box ed i cambi di velocità? Porca paletta che casino… E’ una vita che non faccio schede elettriche/elettroniche…
Altri dubbi: (ho cercato sul forum e non ho trovato nulla di preciso…) • Cosa me né faccio del cambio di velocità? Ho due scatolotti neri con un Joistick a testa… come li collego? Che tipo di macchina devo avere? Sono scatole polistil, ma non ricordo di averli mai utilizzati da ragazzo… infatti le scatole sono intatte • Avete lo schema di collegamento per Entrata box e comando semaforo e cambio corsia box… inoltre ho bisogno di un alimentatore dedicato a questo comando?
Riassumo quello che ho di elettrico o quello che necessità di elettricità
- Corsia entrata/uscita box - Semaforo e comando ingresso box - Semaforo (non ricordo a cosa servisse) - 2 pulsanti neri - 2 scatolotti cambio velocità - Alimentatore utilizzato dai topi per pulirsi il di dietro e per dalle formiche, come casa, per ripararsi dai ragni Come li collego?
Autore Risposta: Gianmario.Raimondo
Inserita il: 09/04/2008 11:45:15
Messaggio: Ok ragazzi tutto risolto. La parte elettrica è ok. Questa notte quando rientro dagli allenamenti procedo con l'assemblamento sul pavimento in modo da elencare tutti i pezzi di cui necessito (legno, sostegni, colla, chiodi, etc).
Per i curvoni in salita o per le gallerie e ponti pensavo di fare tutta una struttura con i legni di recupero ed i piloni per poi fasciare il tutto con la cartapesta.
Bye... appena riesco vi posto qualche foto... Grazie di tutto
Jimmy
Autore Risposta: Renatone
Inserita il: 09/04/2008 11:50:20
Messaggio: Attendiamo ulteriori sviluppi e, naturalmente, le foto di quanto realizzerai (anche durante i lavori, mi raccomando).
Ciao da Renato
P.S.: per la parte elettrica cosa hai combinato?
Autore Risposta: Renatone
Inserita il: 09/04/2008 11:54:45
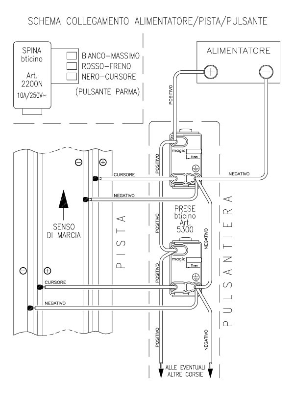
Messaggio: Dimenticavo: se vuoi montare le prese magic per i pulsanti (standard nazionale che troverai dovunque) ti tornerà utile questo schema:
Immagine:
 71,84 KB
Ovviamente nel disegno è rappresentata la soluzione per due prese ed un solo alimentatore e se userai due alimentatori (che secondo me è meglio) dovrai considerare l'eliminazione della seconda presa e ripetere quanto avrai fatto anche per la seconda presa ed il secondo alimentatore.
Ciao da Renato
Autore Risposta: eugenio
Inserita il: 09/04/2008 13:28:54
Messaggio: Gianmario se hai le scatole nere con il cambio di velocità devi usarle con l'alimentatore polistil da 1,5A, quello grosso rosso con le tre prese di corrente al posteriore. Gli altri non ce la fanno, aldilà del fatto che con sono nemmeno predisposti come attacco. Non sono però riuscito a capire se vuoi utilizzare la pista coi freni o senza; qui sopra ti postano lo schema dei collegamenti per l'uso con le magic ed il freno mentre tu parli di usare i polistil neri che notoriamente non hanno freno Ciao Eugenio PS. Se vuoi una mano sono a milano (sud)
Autore Risposta: Gianmario.Raimondo
Inserita il: 10/04/2008 15:00:32
Messaggio: Bene ragazzi... allora.. partiamo dalle misure... ho una disponibilità in box di 250 cm x 140 cm... Allego un paio di foto di una prima progettazione, però non sono soddisfatto anche perchè mi avanzano una cifra di rettilinei...
Attualmente sto progettando la pista in casa, successivamente provvederò a creare la struttura portante, ad acquistare il legno, a selezionare i pezzi, a costruire il mio progetto 1 foto
Immagine:
 50,68 KB
E' una parabolica a 180° in discesa... mi fà impazzire per la pendenza ma dopo una riebolazione notturna mentale scenderà in modo più graduale in modo da creare una pista superiore ed una inferiore.
2 foto
Immagine:
 22,37 KB
In questa seconda foto vedete la torre di san siro posta su 3 livelli.
Le altre foto non le inserisco perchè questa sera modifico il percorso.
Grazie ciao Jimmy
Autore Risposta: mussovolante
Inserita il: 10/04/2008 15:28:40
Messaggio: ciao Jimmy, ti ho rimpiccilito le foto, per cortesia inseriscile più o meno con queste dimensioni, altrimenti sfasa la visione nel form. Questo inghippo comunque è solo momentaneo e nella prossima versione del forum il tutto sarà automatizzato.
Tornando alla tua pista, un consiglio che ti do e quello di provare le varie combinazioni e di provare realmente con le slot a girarci. Guardando la salita che hai fatto temo che più di una slot abbia difficoltà reale di farla. Vuoi per il fondo con poco grip, vuoi perchè tocca sotto. Quando fai le prove, prima di fissare il tutto prova in un senso e poi nell'altro. Non essere colto dalla smania di usare tutti i pezzi disponibili, se te ne avanza qualcuno non è un dramma, l'importante che fai un circuito divertente, funzionale e fattibile per le slot che intendi usare.
Autore Risposta: Gianmario.Raimondo
Inserita il: 10/04/2008 15:52:32
Messaggio: Citazione: Messaggio inserito da mussovolante Tornando alla tua pista, un consiglio che ti do e quello di provare le varie combinazioni e di provare realmente con le slot a girarci. Guardando la salita che hai fatto temo che più di una slot abbia difficoltà reale di farla. Vuoi per il fondo con poco grip, vuoi perchè tocca sotto.
Ciao caro. Per le foto, ok, mi pare che sia già la seconda volta che mi modifichi le foto. Come faccio ad usare una dimensione standard per non creare lo sfarfallio?
Per la pista, la parabolica è da fare in discesa... cmq stasera smonto tutto e rincomincio. Faccio prima la base e poi inizio a salire...
Grazie Jimmy
Autore Risposta: Renatone
Inserita il: 10/04/2008 16:14:24
Messaggio: Gianmario occhio alle paraboliche: a causa della scarsa altezza dal suolo molte maccchine odierne toccano sotto con le conseguenti uscite di pista, tant'è che oggi se ne sconsiglia l'uso.
Ciao da Renato
P.S.: per le foto, prima di inserire definitivamente il messaggio, prova la funzione anteprima così da controllare come viene visualizzato il post.
Autore Risposta: hank
Inserita il: 10/04/2008 16:44:17
Messaggio: Non so se si vede bene, ma nel Rallye de Pays du Vaud del 2002 ho fatto questa "speciale" con la polistil:
Immagine:
 72,41 KB
Autore Risposta: Malva
Inserita il: 10/04/2008 16:55:12
Messaggio: Si vede bene hank e la vedo molto difficile da girarci.
Autore Risposta: Gianmario.Raimondo
Inserita il: 11/04/2008 10:15:07
Messaggio: Porca paletta hank che discesoni... io ieri ho smontato tutto e questa mattina alle 4 con la tipa nel letto che se la ronfava giravo come un disperato con una ferrari riesumata dallo scatolone... bellissima fatta su tre livelli... non ho foto perchè il cell era scarico...
Domani mattina compro il multistrato, un po' di staffe, l'mdf, un se****tto alternativo ed inizio la mia avventura... fi**ta!!!!
Jimmy
Autore Risposta: mussovolante
Inserita il: 11/04/2008 10:56:13
Messaggio: Citazione: Messaggio inserito da Gianmario.Raimondo
... ho smontato tutto e questa mattina alle 4 con la tipa nel letto che se la ronfava giravo come un disperato con una ferrari riesumata dallo scatolone...
Dicasi: raggiunto la pace dei se ss nsi. 
Benvenuto Jimmy nel club degli incurabili !!!!!!!
Autore Risposta: Mayo
Inserita il: 11/04/2008 11:21:21
Messaggio: bella lì Hank !!
e... Jimmy vorrei vedere anche la foto della pista su 3 livelli che ti ha fatto mollare la tipa a letto!!
Autore Risposta: Gianmario.Raimondo
Inserita il: 11/04/2008 12:13:40
Messaggio: Citazione: Messaggio inserito da Mayo
bella lì Hank !!
e... Jimmy vorrei vedere anche la foto della pista su 3 livelli che ti ha fatto mollare la tipa a letto!!
Domani le posto... ho fatto una spirale per drift che su pista polistil non trattata e slot formula uno ti fà morire... non vedo l'ora id montarla sul multistrato...
la tipa mi ha cavoliato telefonicamente poco tempo fà... 
bye jimmy
Autore Risposta: free time
Inserita il: 11/04/2008 12:24:02
Messaggio: azz mi sa che te la sei meritata a sto giro :P:P:P
comunque io grrrrrrrrrrr mi sa che ho fatto il danno porca paletta grrrrrrrrrrrrrrrr ho esagerato con la schiuma ad espansione ufffffffffffffffffffff e il tornante in salita me lo ha sformato grrrrrrrrrrrrrrrrrrrrrrrrr mo vado a lavoro, spero di riusire a risolvere il problema in qualche modo uff mi ha fatto gli scalini sulla rampa grrrrrrrrrrrrr che nervi...
un saluto dal tino pasticcione  
Autore Risposta: francos
Inserita il: 11/04/2008 13:29:36
Messaggio: La schiuma la puoi tagliare con un cutter quando e' dura. Poi la pista devi metterla DOPO aver dato la schiuma  Oggi vado a prendere la mia bomboletta e domani finisco il diorama delle montagne dietro ai box... poi passo alle luci
ciao
Autore Risposta: Gianmario.Raimondo
Inserita il: 11/04/2008 15:33:41
Messaggio: raga dove la compro questa schiuma... al castorama devo proprio chiedere una bomboletta di schiuma a espansione?
ma la marca...? Jimmy
Autore Risposta: Malva
Inserita il: 11/04/2008 15:38:44
Messaggio: Vai tranquillo chiedi pure della schiuma espansa
Autore Risposta: francos
Inserita il: 11/04/2008 16:08:09
Messaggio: Io la prendo dal ferramenta 
ciao
Autore Risposta: free time
Inserita il: 11/04/2008 18:05:01
Messaggio: la trovi sia al castorama che da obi... anzi oggi da obi l'ho trovata pure in offerta hihihihihi 2 bombolette a 8 euro hihihihihi
Autore Risposta: Gianmario.Raimondo
Inserita il: 12/04/2008 00:59:52
Messaggio: VI PRESENTO: Speranza!!!
Così chiamata perchè negato con il fai da te mi metto alla prova... senza conoscerne il risultato!
Questa è l'ultima produzione di questa notte... si gira da paura solo che le macchinine vanno lentissime porca paletta... cmq domani se ho tempo vado a comprare la base in modo da iniziare l'assemblamento prossima settimana...
Una precisazione con le F1 nn si riesce a guidare...
A voi le foto...
         
Immagine:
 49,06 KB
Immagine:
 59,35 KB
Immagine:
 52,85 KB
Immagine:
 54,74 KB
Immagine:
 61,69 KB
Autore Risposta: Gianmario.Raimondo
Inserita il: 12/04/2008 01:01:25
Messaggio: caspiterina... le foto sono troppo grandi nonostante le ho rimpicciolite e nonostante ho fatto l'anteprima... scusatemi!!!
Buon week!
Jimmy
Autore Risposta: Gianmario.Raimondo
Inserita il: 12/04/2008 01:46:30
Messaggio: Scusatemi... ho disegnato il tracciato con Ultimate Racer 3.0 e ripensadoci bene in fase di costruzione del tracciato allungo il levello più alto inserende due interminabili rettiline per poi scendere con due tornanti al secondo livello, il quale sarà tutto completamente nascosto modello traforo...
cmq vi allego l'attuale tracciato
Immagine:
 53,14 KB
Ora buona notte sul serio e mi scuso con chi dovrà aggiustare le mie fotografie. Sono dispiaciuto... ma non sono riuscito a dimensionarle.
Anticipatamente grazie Jimmy
Autore Risposta: Renatone
Inserita il: 12/04/2008 09:02:42
Messaggio: Citazione: Messaggio inserito da Gianmario.Raimondo
le foto sono troppo grandi nonostante le ho rimpicciolite e nonostante ho fatto l'anteprima... scusatemi!!!
Non preoccuparti Jimmy, siamo qui anche per questo, il vero problema nasce quando le foto sono tante, ma veramente tante. A tal proposito se vuoi un consiglio: io le ridimensiono portandole ad una larghezza di 700 pixel (se lasci il ridimensionamento proporzionale l'altezza viene di conseguenza), ma con il nuovo forum questo problema non ci sarà più (ne vedrete delle belle). Per la pista: non è male se vuoi fare rally, ma mi sembra parecchio arzigogolata, come la mettiamo con i recuperi? Ne hai tenuto conto soprattutto in relazione al fatto che se la monterai nel box avrai un lato attaccato al muro e quindi non accessibile? Poi un parere personale condiviso da molti: leva le curve paraboliche; le macchine attuali sono molto basse e sulle paraboliche toccano sotto causando la fuoriuscita delle vetture dallo slot (ce le ho anch'io (6 pezzi), ma stanno facendo la ruggine in una scatola). Per le macchine che vanno lentissime: è perchè la pista è difficile da guidare o perchè hai qualche problema elettrico? Se il problema è la conduzione elettrica della pista ti consiglio di leggere questo articolo http://www.tuttoslot.it/tecnica/con...paoslot.html e se non risolvi in questo modo dovrai armarti di filo elettrico e di saldatore a stagno. Buon lavoro.
Renato
Autore Risposta: n/a
Inserita il: 12/04/2008 13:34:26
Messaggio: bailey'ssssssssssss...tortuosa direi...manca qualche bel rettilineo dove far allungare le auto!
Autore Risposta: free time
Inserita il: 12/04/2008 13:44:32
Messaggio: il tracciato e bello movimentato, ma secondo me ha troppe parti nascoste o punti ciechi che non riesci a vedere...io ti parlo per mia esperienza personale, quando ho iniziato mesi fa, avevo fatto anchio un tracciato simile al tuo... ma passare dal disegno alla realizzazione mi ha portato a ridimensionarlo molto... primo per alcuni recuperi, poi per interi tornanti coperti dalle sopra elevate e secondo me, il non vedere un intero tornante ti porta o al troppo rallentare, oppure se arrivi lungo nella staccata a ritrovarti l'auto fuori e fermare la gara, perche per recuperarla copriresti la visuale all'altro pilota...
per le paraboliche concordo con renatone, perche provate personalmente le auto troppo basse vanno a diritto... infatti ne ho 3 e messe a prender ruggine in scatolone...
io un consiglio che ti posso dare, e di soffermarti ad un tracciato su 2 livelli che e piu semplice da realizzare in pianta stabile e ti facilita nei recuperi...
apparte tutto cio, il tracciato e bello mi piace...
Autore Risposta: free time
Inserita il: 12/04/2008 14:12:29
Messaggio: guardati questo video, magari e un nuovo metodo di ribaltamento hihihihihi
http://www.youtube.com/watch?v=CDug...ture=related
Autore Risposta: Gianmario.Raimondo
Inserita il: 14/04/2008 11:29:02
Messaggio: Citazione: Messaggio inserito da Albe8375
bailey'ssssssssssss...tortuosa direi...manca qualche bel rettilineo dove far allungare le auto!
Ricevuto... ci devo studiare... Grazie Albe, ciao Jimmy
Autore Risposta: Gianmario.Raimondo
Inserita il: 14/04/2008 11:32:24
Messaggio: Citazione: Messaggio inserito da free time io un consiglio che ti posso dare, e di soffermarti ad un tracciato su 2 livelli che e piu semplice da realizzare in pianta stabile e ti facilita nei recuperi... apparte tutto cio, il tracciato e bello mi piace...
Grazie free time del tuo intervento. In effetti i recuperi sono parecchio difficoltosi. Pensavo di sfruttare muretti e guardreil per evitare fuori uscite furiose. Relativamente alla parabolica, provo a vedere su ebay (dove ho messo in vendita altri pezzi) quanto riesco a piazzarla...
Grazie Jimmy
Autore Risposta: Gianmario.Raimondo
Inserita il: 14/04/2008 11:35:12
Messaggio: Citazione: Messaggio inserito da renatone Per la pista: non è male se vuoi fare rally, ma mi sembra parecchio arzigogolata, come la mettiamo con i recuperi?
Hai ragione... solo che vorrei una pista tutta di controsterzi e zig zag...
Citazione:
Per le macchine che vanno lentissime: è perchè la pista è difficile da guidare o perchè hai qualche problema elettrico?
Temo che sia un problema elettrico. Vado a sgogliarmi il post... grazie...
Grazie renato e grazie a tutti, Jimmy
Autore Risposta: marco.zen
Inserita il: 16/04/2008 19:29:32
Messaggio: Noto che i telecomandi sono clasiici Polistil a siringona, e quindi senza freno, il contagiri è il Polistil meccanico (frena parecchio la macchina quando ci passi per farlo scattare) e i cavi di alimentazione sono anche originali (sezione limitata, non passano gli ampere in fase di spunto sui motori). Ti consiglio, dato che hai una bella pista, oltre a seguire i consigli dati dagli amici in precedenza, di rivedere tutta la parte elettrica: alimentatori, pulsanti, cavi. Sennò crei dei colli di bottiglia che poi ti danno fastidio quando giochi. Ciao.
Autore Risposta: Gianmario.Raimondo
Inserita il: 28/04/2008 14:12:40
Messaggio: Ciao Marco.Zen, potresti darmi qualche info in più relativamente all'impianto elettrico? Cosa dovrei inserire? Grazie...
Buongiorno a tutti è un po' che manco ma sono dietro al mio progetto... ho preparato un po' di sopraelevate, assemblato a grandi linee il plastico ecc eccc... A giorni termino il grosso e poi incomincio ad assemblare la plastica (binari)...
Grazie a tutti appena ho qualcosa di più... vi posto le foto! Jimmy
Autore Risposta: marco.zen
Inserita il: 28/04/2008 16:05:36
Messaggio: In ordine di costo:
1) sostituire i fili di alimentazione con fili accoppiati rosso-nero (tipo quelli per gli impianti stereo di bassa fascia) ma di sezione maggiore a quelli che usi adesso; costo: irrisorio, o zero se hsai dei vecchi fili come sopra.
2) prendere 2 pulsanti "che frenano", cioè a 3 fili; tipo Parma Economy vanno già molto meglio dei Polistil a siringa; costano intorno ai 25€ l'uno;
3) Sostituire il contagiri meccanico con un sistema elettronico; ce ne sono vari in giro, cerca riguardoi a questo argomento sui forum di Tuttslot e ne troverai a bizzeffe.
Ciao, e buon proseguimento del lavoro!
Autore Risposta: marcopit
Inserita il: 28/04/2008 18:11:51
Messaggio: secondo me c e qualcosa che non va in questo disegno.. lascio immaginare a voi cosa intendo..
Autore Risposta: Gianmario.Raimondo
Inserita il: 29/04/2008 13:22:38
Messaggio: | marcopit ha scritto:
secondo me c e qualcosa che non va in questo disegno.. lascio immaginare a voi cosa intendo..
|
ciao. Tieni conto che prima ho fatto la pista ul pavimento e poi ho disegnato con il software...
cosa c'è che non và? Puoi essere più chiaro?
Grazie Jimmy
Autore Risposta: stardom
Inserita il: 29/04/2008 16:36:03
Messaggio: Beh, il progetto non e' brutto, ma e' troppo movimentata e senza possibilita' di prendere un po' di velocita' con le macchine...
Autore Risposta: marcopit
Inserita il: 29/04/2008 17:51:01
Messaggio: secondo me ci sono un po troppi tornanti.. sembra di essere in uno di quei parcheggi sotterranei dei grandi magazzini dove ci sono rampe di quel tipo per accedere.. comunque se togli un po di tutte quelle sovrapposizioni e inserisci un minimo di rettilineo dove allungare secondo me sarebbe piu divertente..
Autore Risposta: free time
Inserita il: 07/06/2008 11:03:54
Messaggio: chissa come e finita l'avventura del nostro amico ^_^ qualcuno ha sue notizie?? ^_^
Forum Tuttoslot.it : http://www.tuttoslot.it/forum/
© 2006 tuttoslot.it
|